speed2horizon,
errmmmmm thanks for the info dude, hmmm so right now i have to prepare the materials before bolting on the turbo... which turbo is the best choice? td04? hope to get it running soon. (: and also i've heard that i require colder spark plugs, what does that mean? hmmm thicker gasket is not neccessary for low boost yet rite? what else do i need? and also about fueling and ignition timing, i need bigger cc injectors, approx how big? 290cc? and ignition timing, how to go about it?
---------- Post added at 10:00 PM ---------- 6 hour anti-bump limit - Previous post was at 09:57 PM ----------
and also i search around, 4g93 stock injectors size is 240cc, hmmm so best replacement is from what car's injectors to get 290cc or above bro?
TD04L is a nice turbo for mild modded engine. Quick response and nice spool. Easy to find parts to incorperate with the turbo. No banana needed, just get a GSR exhaust manifold and they are plug n play with 4G91. But even if u chose alternative turbo like T25 with A/R 0.48 turbo, u can still go for a conversion adapter to use with the GSR manifold.
Spark plugs have heat range. It's how the plugs insulation and heat dissipation is designed. But it's not a necessary stuff. NGK BK6 E11 is will serve u well.
Thicker metal head gasket is not necessary for low boost application. But tuning is.
About ignition timing, I'll recommend to retard ur ignition timing at high end. This is due to your stock advanced ignition timing for NA set up from the factory. Let's do calculation again. Ur 4G91 CR is 9.5:1. So, when u boost 0.4 bar into ur cylinder. At TDC, the final cylinder pressure is as if u are having CR 13.3 : 1. Which is very prone to premature detonation. Especially at top end.
About injectors, u are recommended to use injectors than does not exceed 150% of your stock injectors to prevent a stable A/F throughout the entire RPM vs Throttle range.
390cc from GSR is easily available in the marketplace and mudah. Do some search. But for mitsubishi injectors, 390cc and above, they are mostly low impendence injectors. U will need a resistor pack to get them work.
U have 2 choices.
1) to get a mitsubishi resistor box/pack from the half cut shop. They chould cost around RM50-RM80. Here is how it looks like.
http://i27.photobucket.com/albums/c188/ImageHorizon/respack.jpg
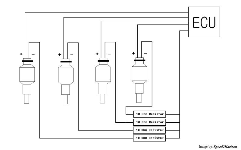
2) Or you can DIY the resistor pack. Just go to Jalan Pasar and ask for 10Ohm 10Watt AC resistors. U should install 1 at each injectors.
This is how it looks. The one i mentioned looks exactly like this, but write 10Ohm 10Watt.
http://i27.photobucket.com/albums/c188/ImageHorizon/WireWound_33ohm_small.jpg
And should wire them like this.
Take care and good luck.
Yeaaah its something thats rare for one. Target? None. I just want it to be drivable and have a bit more torque haha

.
I'm intrested in this is 80% just to learn how to do it and get the experience. Cost, whats needed, I rather have that than power

.
If power I would have gotten a SR20 but everybody has one nowadays huh? Boring lah hehe. Wanna be a different wagon.
What car do you have hachi? And yeah, by the book low-mid range is better around town. But personally if I got a turbo I like the midrange-top end kick with just a biiiiit of lag. Old school turbo feeling man haha.
Mileage? Taktau worrr. We both do then compare mileage lah

.
Lolz... But just wonder, can compressed air worked without a manifold..?