Cheap B-O-T on 4g93

SC not cheap la. nissan march sc can la. but not enuff uumph.

to be honest. i love the lag of the turbo. gave the false feeling of "sudden power" haha.
 
changing wiring is too much of a hassle.

maybe ill just add resistor pack on my current wiring.

about the ecu. buying an ecu also would costly. what if i rechip it and pair it with my current SAFCII ?

If the man/women/bapok/pondan/transex whom does ur rechip really knows what he is doing, U don't even need to use SAFC anymore. He can actually Copy the whole program from a GSR chip and have it installed into ur new chip.

If he's better than just knowing what he/she is doing, he can even rewrite the whole ignition and AF mapping complete with knock detection igtion retard and etc.

If he/she is the GURU, he can goes into details changing the definition and convert ur engine management system and replace MAF with MAP.


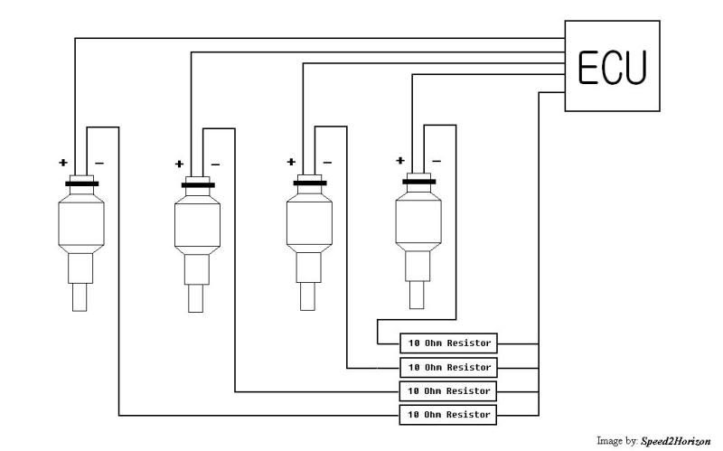
BTW, sorry for the late diagram as I was quite committed with work recently.

Here is the wiring diagram
Resistorpack-1.jpg


Here is how the resistor looks like. Below are 10Watt 33Ohm. Look for 10 Ohm 10Watt.
http://i27.photobucket.com/albums/c188/ImageHorizon/WireWound_33ohm_small.jpg

Here is the original MMC resistor pack
http://i27.photobucket.com/albums/c188/ImageHorizon/respack.jpg

speed2horizon: i think what cons with Bot after proper tuning is high fc rite?? i have tune well on my mivec turbo, 1 year already with 1 bar boost (got internal mod) and also big turbo(tdo5h modded fit in tdo6 turbine).. nothing bad just the fc, 7km/L , i concern about fc since i use it as daily car, now downgrading to n/a and mod :bawling: loss power lo

Not really, my car when it was 18+WHP runs 5++km with RM85 RON 97 fuel driving everyday from Cheras to Rawang using the MRR2. What I did was, leaning the AFR to 12-13 and increase the under 3krpm and 30% Throttle position. At 3krpm, tps 40, 12.0 Anything more than 40% TPS, i richen the the AFR. At idle, i targeting for 15AFR.

but one thing lah high compression is dam shiok for daily driving especially in kl when u wanna tarik from one traffic light to another
if low compression must tekan habis so boost kicks in then oni shiok thats why if plan to go for high compression forged pistons for my e3 when budget permits later on :rolleyes: plus im using only 1.3 mm cometic metal gasket now??
what do you guys think about the metal gasket coz i told my mech i wanted to maintain the high compression on my e3 when i sent in for top overhaul so he recommend me change the gasket to 1.3 oni whats the thickness of stock evo 3 gasket??

I really don't understand why ppl want to increase the CR by changing pistons and then reduce it back by adding thic gaskets.

Tarik from traffic light..? tyre can stick..?? Even at stock..?

Nothing is ONLY abt 1.3mm metal gasket. A stock 4G63T gaskets is only 0.8-1.0mm. When adding 0.3mm, u're reducing the CR.

Internals will never survive severe knocking due to high CR and high boost. Neither ur forgies. The only way to save that is by having a good tunning.

Good tunning = full control of ur injector/ignition timing = Full control of the ECU = rechip/standalones.

Can achieve by emb/safc/other piggies. But also up to a certain limit where ur engine can afford to go further.

super-charged it , anyone ? i'm more keen on SC than TC ... anyone wanna share some basic info ?

SC is not hard. But also require alot of customizing.

First choose the model of SC u wanted.
Then, U need to find a way to mount it, so that it can be drivin by the crank through pullies and belting system.

customizong a piping channelling compressed air into ur TB/manifold.

Might require an additional injector complete with injector controller of other piggyback.

Send for tunning.

However, SC has a boost limit that's controlled by the bypass valve. Upgrading boost are not available unless u modify the bypass valve in the SC itself.

Please understand that eventhough they are both FI system, but they worked in a complete different way...

Turbo = waste to power gain
SC = Sacrifice to power gain

SC not cheap la. nissan march sc can la. but not enuff uumph.

to be honest. i love the lag of the turbo. gave the false feeling of "sudden power" haha.

But what kind of Ump are u looking for when u are only targetting for 0.5bar..?
 
haha i dunno. i love sitting i a laggy turbocharged car, i love the BOV sounded (sheepdog, type-S), i love the wastegate sounded. boom de ya da boom de ya da.

all those gave me a feeling of a veeeeeeeery powerful car. i love it! just love it. haha!
 
if u playing with ur blow off on street at kuching here and ur car is an alang2 turbocar, please beware,especially honda is beside u, they probably will cucuk u and smoke u while u playing with ur blow off, for me i think it is a kind of shame if he had smoked far a way and u still sounding ur blow off all the way at his back.. :burnout:
 
smoke my satria. and ill smoke him back with my baby Z. ;)
 
if u playing with ur blow off on street at kuching here and ur car is an alang2 turbocar, please beware,especially honda is beside u, they probably will cucuk u and smoke u while u playing with ur blow off, for me i think it is a kind of shame if he had smoked far a way and u still sounding ur blow off all the way at his back.. :burnout:

Haiz... cucuk me, i buat tatau.... drive slow slow... He rev and smoked me... Then..?

I think it's more shameful when try ajak race ppl x layan. Then rev far far though smoked someone, but in fact, ppl didn't even think of racing...

Waste of fuel, waste of time.

smoke my satria. and ill smoke him back with my baby Z. ;)

Err.. by the time u took ur Z, ppl drive all the way to Peninsula already... What's the point..? Kekek... cheers
 
spec of ur BOT?? and driving manner pls... interesting, fc like na...
 
Last edited:
spec of ur BOT?? and driving manner pls... interesting, fc like na...

8.9:1 SUpercharge pistons
1.85mm metal gasket
Slight lighten 9" GSR flywheel with
390cc injectors
GSR 7073 ECU with emanage blue, OTR tuned
Ard 180-190WHP Inducing 9.8psi @ 8000rpm with GARRETT GT2560R
Advanced exhaust cam pulley
4WD gearbox from 4G93NA W5M332 VXPL
16" sohai rims with 205/45/16R RE001 JPN tyres

PLS READ MY EARLIER REPLY ON TUNNING PARAMETERS ON THE TUNNING PART

Normal driving with sometimes spirited driving smoking EKs and MYVIs.
 
8.9:1 SUpercharge pistons
1.85mm metal gasket
Slight lighten 9" GSR flywheel with
390cc injectors
GSR 7073 ECU with emanage blue, OTR tuned
Ard 180-190WHP Inducing 9.8psi @ 8000rpm with GARRETT GT2560R
Advanced exhaust cam pulley
4WD gearbox from 4G93NA W5M332 VXPL
16" sohai rims with 205/45/16R RE001 JPN tyres

PLS READ MY EARLIER REPLY ON TUNNING PARAMETERS ON THE TUNNING PART

Normal driving with sometimes spirited driving smoking EKs and MYVIs.

heheh speed why bully myvi lah :biggrin: then they go back cry to their mommy coz grown up bully them hehehe
yeah i also dont see the point of increasing compression by changing piston then put a thick ass metal gasket and u have back original compression hahaha aiyo that means the 1.3 mm metal gasket will reduce my compression ah no more early boost :banghead:
 
high boost?? y mine fc so bad?? because of that big turbo and big injector ?? and also my fuel set up that put in extra fuel for my engine good??
 
heheh speed why bully myvi lah :biggrin: then they go back cry to their mommy coz grown up bully them hehehe
yeah i also dont see the point of increasing compression by changing piston then put a thick ass metal gasket and u have back original compression hahaha aiyo that means the 1.3 mm metal gasket will reduce my compression ah no more early boost :banghead:

Just stick to ur stock compression and tune it well... U can still have ur response.

MYVI cucuk me first... Cause they think Satria is an old bloody junk car... So, those MYVI SE that changes the exhaust and added spoiler will cucuk me for kilos. Esspecially the dark tinted white MYVI SE with black sprayed front hood.

high boost?? y mine fc so bad?? because of that big turbo and big injector ?? and also my fuel set up that put in extra fuel for my engine good??

Check this.

Not really, my car when it was 18+WHP runs 5++km with RM85 RON 97 fuel driving everyday from Cheras to Rawang using the MRR2. What I did was, leaning the AFR to 12-13 and increase the under 3krpm and 30% Throttle position. At 3krpm, tps 40, 12.0 Anything more than 40% TPS, i richen the the AFR. At idle, i targeting for 15AFR.

Maybe u like to accelerate alot... I only does when I was disturb. But most of our driving ard KL is either on cruise or idle(traffic jam). I had those conditioned tuned to lean(14-15) cause basically, manifold is not under compression at those time.

Actually GT2560 is not a very small turbo. It's 53.0mm(AR0.64) turbine and 60mm compressor(AR0.60)

I think it's the tunning.

When u use big injectors, there are always a minimum point how much ur EMS can handle. What EMS are u using..?
 
Last edited:
mine can be considered tdo6 already... dunno the actual size,only code :s: but anyway bro, i m downgrading to n/a next monday, gudbye turbo, u have any idea to mod a strong mivec n/a?? i mech recommend me to go for rechip and afc 1st(shortage of budget for other standalone ecu) and say can make no cut till 10k rpm(must tune using afc neo 1st, i gt emanage blue currently but tuning here is expensive, if i every time go back to tune,sure bankrup), then go jun stage 3 high cam, will this make it far more strong then stock already?? mine already is a mivec 1.8...

another off topic, which body part better?? evo or mivec ?? mine already n/a, will it not look nice if no intercooler in front of evo body part?? i dun wan put a interfooler, i scared since mivec body hard to find here and c nobody put in wira before(full front body)... will it nice also??pls comment :hmmmm:
 
mine can be considered tdo6 already... dunno the actual size,only code :s: but anyway bro, i m downgrading to n/a next monday, gudbye turbo, u have any idea to mod a strong mivec n/a?? i mech recommend me to go for rechip and afc 1st(shortage of budget for other standalone ecu) and say can make no cut till 10k rpm(must tune using afc neo 1st, i gt emanage blue currently but tuning here is expensive, if i every time go back to tune,sure bankrup), then go jun stage 3 high cam, will this make it far more strong then stock already?? mine already is a mivec 1.8...

another off topic, which body part better?? evo or mivec ?? mine already n/a, will it not look nice if no intercooler in front of evo body part?? i dun wan put a interfooler, i scared since mivec body hard to find here and c nobody put in wira before(full front body)... will it nice also??pls comment :hmmmm:

Hmm... Before any modification starts, what kind of power u are looking for..?
 
Just stick to ur stock compression and tune it well... U can still have ur response.

MYVI cucuk me first... Cause they think Satria is an old bloody junk car... So, those MYVI SE that changes the exhaust and added spoiler will cucuk me for kilos. Esspecially the dark tinted white MYVI SE with black sprayed front hood.



Check this.



Maybe u like to accelerate alot... I only does when I was disturb. But most of our driving ard KL is either on cruise or idle(traffic jam). I had those conditioned tuned to lean(14-15) cause basically, manifold is not under compression at those time.

Actually GT2560 is not a very small turbo. It's 53.0mm(AR0.64) turbine and 60mm compressor(AR0.60)

I think it's the tunning.

When u use big injectors, there are always a minimum point how much ur EMS can handle. What EMS are u using..?

hehe yeah bro ur totally with you on this one i also dun like those myvi that like to cucuk ppl and show of like hell though they may be fast i think we can be faster hehehe
 
hurm... same like ur bot 4g92 then :biggrin: .. 170whp i think is kinda strong already

---------- Post added at 10:28 PM ---------- 6 hour anti-bump limit - Previous post was at 10:27 PM ----------

myvi i heard is gonna having 1.5 version soon... cucuk more then ... and also go to junk yard more :biggrin:
 
hurm... same like ur bot 4g92 then :biggrin: .. 170whp i think is kinda strong already

---------- Post added at 10:28 PM ---------- 6 hour anti-bump limit - Previous post was at 10:27 PM ----------

myvi i heard is gonna having 1.5 version soon... cucuk more then ... and also go to junk yard more :biggrin:

wahh 1.5 myvi arr
aiyo this will only make them cucuk more sudah bosan lah with them :mad:
 
hehe yeah bro ur totally with you on this one i also dun like those myvi that like to cucuk ppl and show of like hell though they may be fast i think we can be faster hehehe

hehe. I've seen MYVI playing GRA ended up axle patah bent to the back. Like Kembara, 1 wheel at the back.

hurm... same like ur bot 4g92 then :biggrin: .. 170whp i think is kinda strong already

---------- Post added at 10:28 PM ---------- 6 hour anti-bump limit - Previous post was at 10:27 PM ----------

myvi i heard is gonna having 1.5 version soon... cucuk more then ... and also go to junk yard more :biggrin:

Upgrading at the moment... Maybe going for 1.2bar see how things goes... Keeping the low end tuning. I think the FC wouldn't differ much.

There are things u can do... On a daily driven, u can opt for 4G92 pistons. You,ll probably achieve CR11:1. I think 390cc injectors is sufficient. Make sure u remain ur resistor pack when using these low impedence injectors. Look for B18C manifold. Can opt for SKUNK2. A lil mods makes the fittings.

Exhaust maniofold, hmm.. there are variety.

What ECU are u using..? Rechip can be good. Increasing the rev limit is nice for an NA. but make sure the all the mapping within the Eprom needs to be remapped to 10krpm. Like said, if done by GURUS... Don't even need piggy...

On board tune with emulator and finalize the setting. Then burn into the new chip.. settle... Dun need any piggies.


wahh 1.5 myvi arr
aiyo this will only make them cucuk more sudah bosan lah with them :mad:

Longkang
 

Similar threads

Posts refresh every 5 minutes




Search

Online now

Enjoying Zerotohundred?

Log-in for an ad-less experience